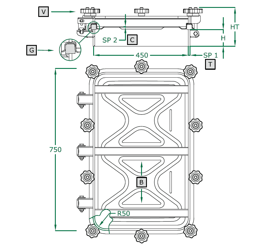
Rechteckige Mannlochtür Öffnung nach außen

366R ART

Mannlochtür
750 x 450 mm
Für EDELSTAHL

Zusätzliche Informationen

Installation

Produkttyp

Form

Rechteckige

Messen

750×450

Öffnung

Äußere

Eigenschaften

Haken Verschluss

Material:
AISI304L - AISI316L
Hinweise:
Berührungslose Details in AISI304L
Verfügbare Zertifikate:
MOCA - 3.1 - FDA - 1935/04 CE
Druck:
366R: 0 / +1,5 BAR
Zeichnung
Beispiel Installation